Encapsulated PCB Style AC Power Transformers

XFA-235-Scheme

Features

Input Voltage Range
- 100 VAC
- 120 VAC
- 230 VAC
Power Rating
- 30 Wt. Max
No Load Current
- 45 mA Max

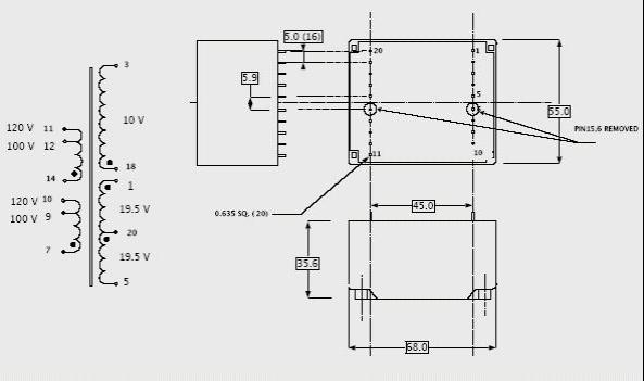
All Zixel Low Profile Encapsulated AC Power Transformers are constructed with two separate coils on UI style cores. This design provides an economical alternative to toroidal transformers. Split bobbin design insures very high breakdown voltage rating of 4000 VAC and eliminates the need for electrostatic shielding. 4 holes for optional PCB screw mounting.

RoHS versions are available.

PCB

Features

Power
- 0.1Wt - 1.5Wt
Input Voltage
- 100 VAC - 240 VAC
Frequency
- 50Hz - 60Hz
Isolation Voltage
- 4kV

Please Contact Us for Detailed Specifications.